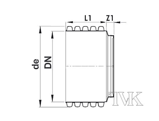
Чертеж. Заглушка (пробка) InCor.

| DN, мм | Di | L1 | Z1 |
| 160 | 170 | - | - |
| 200 | 227 | 125 | 60 |
| 250 | 283 | 150 | 62 |
| 300 | 340 | 170 | 64 |
| 400 | 453 | 185 | 70 |
| 500 | 567 | 245 | 74 |
| 600 | 680 | 310 | 80 |
| 800 | 906 | 450 | - |
| 1000 | 1 160 | 650 | - |
*Компания InstalPlast Łask оставляет за собой право вносить изменения в техническую документацию без предварительного уведомления. Данные о геометрических размерах носят информативный характер и могут быть изменены.