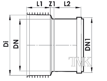
Чертеж. Редукция InCor - ПВХ (раструб).

| DN х DN1, мм | Di | L1 | Z1 | L2 |
| 160 x 160 | 172 | 101 | - | 88 |
| 200 x 200 | 230 | 110 | 30 | 118 |
| 250 x 250 | 286 | 137 | 31 | 138 |
| 300 x 315 | 344 | 150 | 32 | 164 |
| 400 x 400 | 458 | 200 | 35 | 198 |
*Компания InstalPlast Łask оставляет за собой право вносить изменения в техническую документацию без предварительного уведомления. Данные о геометрических размерах носят информативный характер и могут быть изменены.