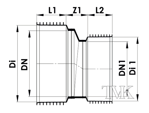
Креслення. Редукція InCor-InCor.

| DN х DN1, мм | Di | Di1 | Z1 | L1 | L2 |
| 200 x 160 | --- | --- | --- | --- | --- |
| 250 x 200 | 286 | 230 | 129 | 137 | 110 |
| 300 x 250 | 344 | 286 | 136 | 150 | 137 |
| 400 x 300 | 458 | 344 | 146 | 200 | 150 |
| 500 x 400 | 574 | 458 | 159 | 262 | 200 |
| 600 x 500 | 686 | 574 | 171 | 270 | 262 |
*Компанія InstalPlast Łask залишає за собою право вносити зміни в технічну документацію без попереднього повідомлення. Дані про геометричні розміри носять інформативний характер і можуть бути змінені.